Prueba de funcionamiento en paralelo SVG mediante comunicación CAN
Esta prueba tuvo como objetivo verificar el rendimiento y la estabilidad de
múltiple
SVG (Generador de variables estáticas)
Unidades que operan en paralelo a través de la comunicación CAN
Cuando no se utilizan transformadores de corriente internos. En concreto, se probaron ocho módulos SVG para evaluar su funcionamiento, la fiabilidad de la comunicación y la consistencia de la compensación de potencia reactiva con sincronización basada en CAN.
Estándar: DLT1216-2019 Especificación técnica para generadores de VAR estáticos de bajo voltaje
TC externa:
Instalado en el lado de la fuente de alimentación, relación 250:5
TC interna:
Comunicado a través del bus CAN
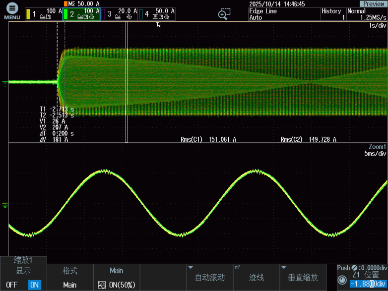
Señales del osciloscopio:
Amarillo: Corriente de carga armónica
Verde: Corriente de salida total de todos los módulos
La comunicación CAN utilizada
IDs 10000001 a 10000008
, que abarca las ocho unidades, con una
velocidad en baudios de 500 kbps
.
El sistema se probó con una corriente reactiva que variaba de
0 A a +150 A
Todos los módulos demostraron transiciones de compensación suaves y sincronizadas, manteniendo un funcionamiento estable sin oscilaciones de corriente ni retrasos en la comunicación.
El sistema se probó con una corriente reactiva que variaba de
0 A a -150 A.
La corriente de carga monofásica total fue de 150 A. La salida teórica por SVG fue
18,75 A por fase
.
Los datos medidos son los siguientes:
| Módulo | Fase A (A) | Fase B (A) | Fase C (A) | Notas |
|---|---|---|---|---|
| 1 | 17.8 | 17.7 | 17.8 | Estable |
| 2 | 17.8 | 18.0 | 17.9 |
La corriente de salida monofásica de la carga es de 150 A, y la salida monofásica teórica de un solo SVG es 18,75 A. |
| 3 | 17.8 | 17.9 | 17.9 | |
| 4 | 17.8 | 17.9 | 19.0 |
El rendimiento de distribución de corriente entre los módulos se mantuvo constante, con desviaciones dentro de límites de tolerancia aceptables, lo que confirma
equilibrio de carga eficaz
a través de la red SVG paralela.
El
Sistema SVG
demostrado confiable
funcionamiento en paralelo mediante comunicación CAN
, logrando un control preciso de la corriente reactiva y una distribución equilibrada de la corriente entre los módulos.
Este resultado valida que la coordinación basada en CAN puede reemplazar eficazmente la sincronización CT interna para configuraciones SVG de múltiples unidades, ofreciendo flexibilidad, escalabilidad y menor complejidad de cableado en aplicaciones de ingeniería prácticas.
Para obtener más información, comuníquese con el ingeniero David en WhatsApp al +86 18917353780
suscríbase a nosotros para disfrutar de los precios del evento y obtener algunos de los mejores precios.
compatible con la red ipv6